Loading...
Totalglas gevellamellen Elektrische gevellamellen

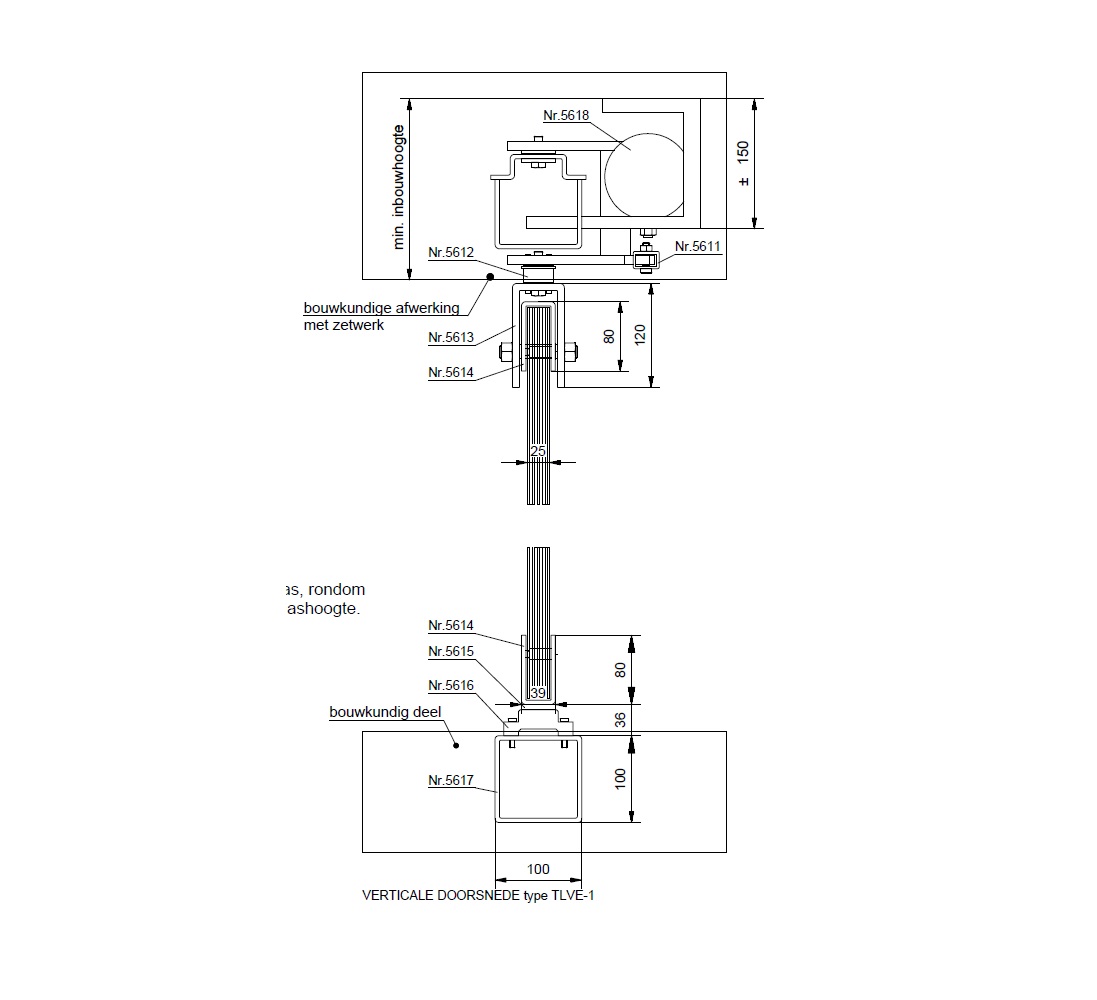
TLVE

TOTAL GLAS elektrisch bedienbaar verticale gevellamellen

Voorzien van:

blank voorgespannen gelaagd floatglas, rondom
geslepen. Glasdikte afhankelijk van glashoogte.

  • bedieningsstang nr. 5611
  • bovenconnector nr. 5612
  • bovengeleider nr. 5613
  • lamelschoen nr. 5614
  • onderconnector nr. 5615
  • draailager nr. 5616
  • steunprofiel nr. 5617
  • lineair motor nr. 5618
  • rvs bevestigingsmiddelen

Afbeeldingen zijn een voorbeeld van type TLVE-1

TLVE-1
Elektrisch bedienbare lamellen

Download voor alle informatie over dit product de technische documentatie, hierin vindt u onder andere: technische specificaties, samenstellingsoverzicht, tekeningen, aansluitdetails en onderdelen.

Heeft u na het inzien van de technische documentatie vragen en/of heeft u specifieke productwensen , neem dan contact op met Mview+. Wij helpen u graag verder.